
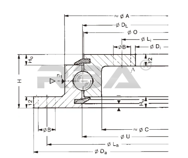
The light series slewing bearing is a compact and light weight design slewing bearing. It is engineered in the optimum way to achieve the maximum load capacity under compact design.
The light series slewing bearing is usually “L” shaped, it has impressive load-carrying capacity, supporting axial, radial, and moment loads. This type is the best suitable type for any application where the limited housing/space presents.